产品编号:SIQ…ES 12~100
滑动磨擦副:钢/钢
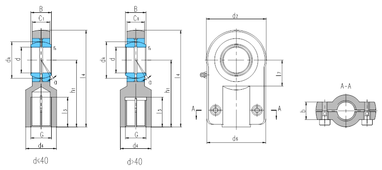
产品特点:带锁口杆端关节轴承由杆端体和向心关节轴承GE…ES组装而成,杆端体材料是碳钢,杆端体的内螺纹带有锁口,配有螺钉紧固;可通过油杯润滑。
使用温度范围:-50℃~+150℃
轴 承 型 号 Bearing number 外 形 尺 寸 Dimensions mm 额定载荷 Load Ratings kN 锁 紧 螺 钉 Screw 重量 Weight ≈kg d B dK C1 d2 G 6H h1 l3 l4 l7 d4 d6 b rs α˚ ≈ 动载荷 Dynamic 静载荷 Static SIQ12E 1) 12 10 18 8 35 M10×1.25 42 15 59.5 16 17 35 13 0.3 10 10 17 M6×12 0.12 SIQ16ES 2) 16 14 25 11 45 M12×1.25 48 17 70.5 20 21 45 13 0.3 10 21 28.5 M6×12 0.22 SIQ20ES 2) 20 16 29 13 55 M14×1.5 58 19 85.5 25 25 55 17 0.3 9 30 42.5 M8×16 0.43 SIQ25ES 25 20 35.5 17 65 M16×1.5 68 23 100.5 30 30 62 17 0.6 7 48 67 M8×16 0.67 SIQ30ES 30 22 40.7 19 80 M20×1.5 85 29 125 35 36 77 19 0.6 6 62 108 M10×20 1.25 SIQ40ES 40 28 53 23 100 M27×2 105 37 155 45 45 90 23 0.6 7 99 156 M10×25 2.16 SIQ50ES 50 35 66 30 120 M33×2 130 54 190 58 55 105 30 0.6 6 156 245 M12×30 3.90 SIQ60ES 60 44 80 38 160 M42×2 150 65 230 68 68 134 36 1 6 245 380 M16×35 8.2 SIQ80ES 80 55 105 47 205 M48×2 185 75 287.5 92 90 156 45 1 6 400 585 M20×45 16.2 SIQ100ES 100 70 130 57 240 M64×3 240 102 360 116 110 190 55 1 7 607 865 M24×55 28.4
1) 无润滑通道。
2)只能通过杆端眼孔润滑。
杆端体采用碳钢锻造。
可装自润滑向心关节轴承。
若是左旋螺纹,轴承型号和螺纹标记需加“L”和“左”,例如:SILQ40ES M27×2左-6H。

