机械零部件
当前位置:福建龙溪轴承(集团)股份有限公司 - 一号娱乐产业 - 机械零部件 - 关节轴承 - 带座带锁口杆端关节轴承
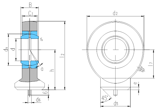
SK...E SK...ES

产品编号:SK…E10~12SK…ES15~80

滑动磨擦副:钢/钢

产品特点:焊接型杆端关节轴承由杆端体和向心关节轴承GE…E或GE…ES组装而成,杆端体材料是易焊接钢,杆端柄部装有弹性销,便于焊接时定位;可通过油杯或杆端眼孔润滑。

使用温度范围:-50℃~+150℃


  

轴 承

型 号

Bearing number

 外 形 尺 寸

                 Dimensions               mm

额定载荷

Load ratings  kN

重量

Weight

≈kg

d

B

dk

C1

 

d2

 

h

l2

 

l7

 

d5

 

d6

e

rs

 

αº

动载荷

Dynamic

静载荷

Static

SK10E1)

10

9

16

7

29

24

38.5

15

15

3

2

0.3

12

8.1

15

0.041

SK12E1)

12

10

18

8

34

27

44

17.5

17.5

3

2

0.3

10

10

21

0.066

SK15ES2)

15

12

22

10

40

31

51

20

21

4

2.5

0.3

8

16

32

0.12

SK16ES2)

16

14

25

11

46

35

58

23

24

4

3

0.3

10

21

40

0.19

SK17ES2)

17

14

25

11

46

35

58

23

24

4

3

0.3

10

21

40

0.18

SK20ES

20

16

29

13

53

38

64.5

27.5

27.5

4

3

0.3

9

30

54

0.26

SK25ES

25

20

35.5

17

64

45

77

33

33.5

4

4

0.6

7

48

72

0.45

SK30ES

30

22

40.7

19

73

51

87.5

37.5

40

4

4

0.6

6

62

95

0.67

SK35ES

35

25

47

21

82

61

102

43

47

4

4

0.6

6

79

125

1.02

SK40ES

40

28

53

23

92

69

115

48

52

4

5

0.6

7

99

156

1.40

SK45ES

45

32

60

27

102

77

128

52

58

6

5

0.6

7

127

208

1.93

SK50ES

50

35

66

30

112

88

144

59

62

6

6

0.6

6

156

250

2.69

SK60ES

60

44

80

38

135

100

167.5

72.5

70

6

8

1

6

245

390

4.60

SK70ES

70

49

92

42

160

115

195

85.5

80

6

10

1

6

313

510

7.00

SK80ES

80

55

105

47

180

141

231

98

95

6

10

1

6

400

620

11.0

1)无润滑通道。

2)只能通过杆端眼孔润滑。

可装自润滑向心关节轴承。