机械零部件
当前位置:福建龙溪轴承(集团)股份有限公司 - 一号娱乐产业 - 机械零部件 - 关节轴承 - 润滑型向心关节轴承
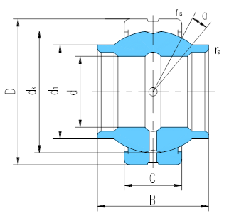
GEEM...ES-2RS

产品编号:GEEM...ES-2RS 20­~120

滑动磨擦副: 钢/钢 

产品特点:内圈两端带伸出圆筒,外圈有一道轴向缝,内、外圈材料均为轴承钢,淬火,磷化,滑动表面涂敷二硫化钼,后置代号有-2RS为外圈两端带有密封圈。

使用温度范围:-30℃­~+130℃

  

    
  

轴 承

型 号

Bearing

number

外 形 尺 寸

Dimensions         mm

额定载荷

Load ratings  kN

重 量

Weight

≈kg

d

D

B

C

d1

max

dk

rs

min

r1s

min

α˚

动载荷

Dynamic

静载荷

Static

GEEM20ES-2RS

20

35

24

12

24

29

0.3

0.3

6

30

146

0.072

GEEM25ES-2RS

25

42

29

16

29

35.5

0.3

0.6

4

48

240

0.13

GEEM30ES-2RS

30

47

30

18

34

40.7

0.3

0.6

4

62

310

0.16

GEEM35ES-2RS

35

55

35

20

40

47

0.6

1

4

79

399

0.25

GEEM40ES-2RS

40

62

38

22

45

53

0.6

1

4

99

495

0.34

GEEM45ES-2RS

45

68

40

25

52

60

0.6

1

4

127

637

0.45

GEEM50ES-2RS

50

75

43

28

57

66

0.6

1

4

156

780

0.59

GEEM60ES-2RS

60

90

54

36

68

80

0.6

1

3

245

1220

1.06

GEEM70ES-2RS

70

105

65

40

78

92

0.6

1

4

313

1560

1.66

GEEM80ES-2RS

80

120

74

45

90

105

0.6

1

4

400

2000

2.47

GEEM90ES-2RS

90

130

80

50

99

115

1

1

4

488

2440

2.88

GEEM100ES-2RS

100

150

90

55

113

130

1

1

4

607

3030

4.65

GEEM120ES-2RS

120

180

108

70

133

160

1

1

4

950

4750

8.44